公司产品
深圳市高士达精密机械有限公司
手机:159-9953-8817
电话:0755-29673755/3955
邮箱:2251952937@qq.com
传真:0755-29673856
地址:深圳市宝安区观兰镇君子布村君新路(142号)胜顺产业园B栋
60DS分割器
60DS分割器

佛山60DS分割器怎么样?心轴型分割器厂商高士达本着“诚信,专业,创新,服务”的理念,遵从互惠互利,诚实守信的原则,公司自成立之初我们就联合台湾资深凸轮设计制造专家,引进美国专业凸轮设计制造系统,同时引进台湾专业凸轮生产设备并成功升级。使我们在生产技术和设备上已达到世界的先进水平。
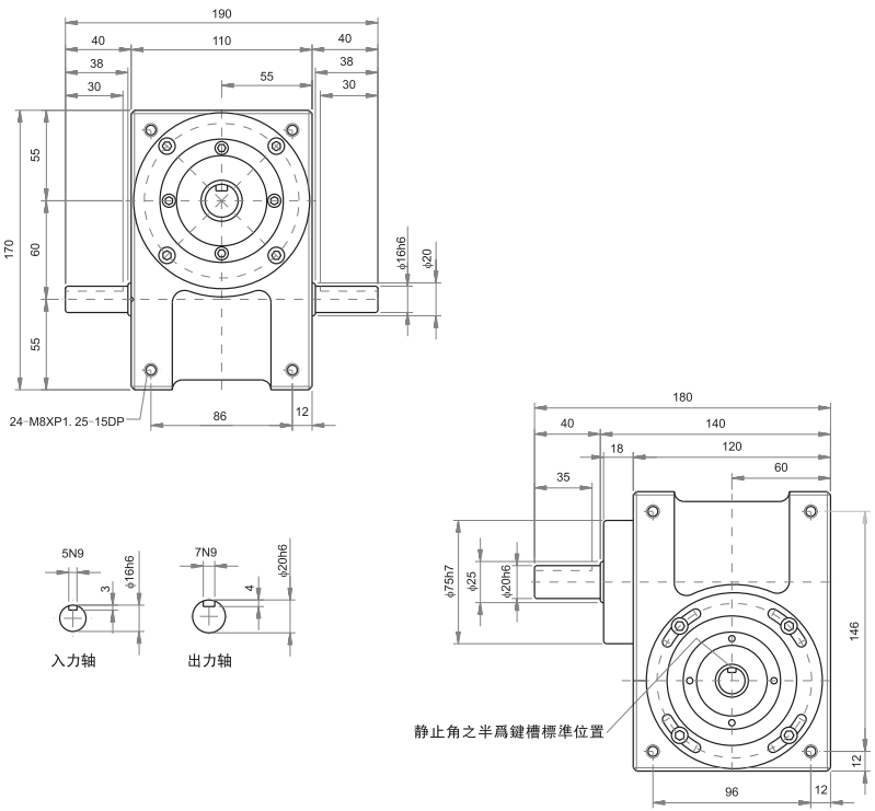
心轴型(25Ds,32Ds,45Ds,60Ds,70Ds,80Ds,110Ds,140Ds)
此系列机种为典型传统式心轴造型,其安装配件之加工安装配合齿轮、联轴器或联轴盘,需特别注重 孔径公差(+0.015/-0)、及链槽公差(+0.015/-0),其使用场合在输送带驱动、齿轮驱动、无间隙联 轴器结合驱动居多。
技术参数
| 项目 | 符号 | 单位 | 数值 |
| 出力轴容许径向负荷 | C1 | kgf | 180 |
| 出力轴容许轴向负荷 | C2 | kgf | 150 |
| 出力轴容许力矩 | Ts | kgf-m | 参考力矩表 |
| 入力轴容许径向负荷 | C3 | kgf | 100 |
| 入力轴最大弯曲力矩 | C4 | kgf | 95 |
| 入力轴最大扭矩 | C5 | kgf-m | 6 |
| 入力轴的GD2(注1) | C6 | kgf-m2 | 1.9x10-4 |
| 定位分割精度 | sec | ±30 | |
| 重量 | kg | 10 |
注:入力轴的GD2是在停留范围内的数值。
注:C1至C5数值是达到安全系数=2时的数值。














