公司产品
深圳市高士达精密机械有限公司
手机:159-9953-8817
电话:0755-29673755/3955
邮箱:2251952937@qq.com
传真:0755-29673856
地址:深圳市宝安区观兰镇君子布村君新路(142号)胜顺产业园B栋
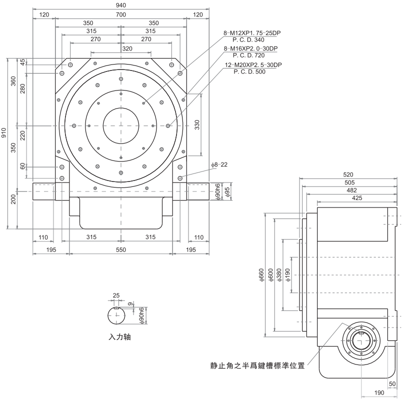
350DT分割器
350DT分割器

高精度开云手机入口官网厂家深圳市高士达精密机械有限公司生产的350DT分割器、80DT分割器、110DT分割器、140DT分割器、180DT、250DT等分割器型号产品,作为分割器厂家的追求,高士达以服务机械工业发展为使命,在自我完善中跟随客户共同进取,努力为全社会机械工业发展作出积极的贡献。除此之外,高士达更是一家集研发,生产,服务为一体的开云手机入口官网及精密机械凸轮的制造企业。
平台桌面型(80DT,110DT,140DT,180DT,250DT,350DT)
此系列机种之尺寸设计特性与凸缘型功能想啥,于驱动运转上可承载超大轴向负载及垂直径向压力,在输出端有一凸起固定盘面及大孔径空心轴,可搭配设置功能、静态自动化周边设备,可将动力源之电、油、气管路置于空心孔内,此系列机种广泛用于重负载、直接自动化设备之各类机构及产业机械,作同步自动化间歇运动。
技术参数
| 项目 | 符号 | 单位 | 数值 |
| 出力轴容许径向负荷 | C1 | kgf | 4500 |
| 出力轴容许轴向负荷 | C2 | kgf | 3300 |
| 出力轴容许力矩 | Ts | kgf-m | 参考力矩表 |
| 入力轴容许径向负荷 | C3 | kgf | 2800 |
| 入力轴最大弯曲力矩 | C4 | kgf | 3800 |
| 入力轴最大扭矩 | C5 | kgf-m | 1000 |
| 入力轴的GD2(注1) | C6 | kgf-m2 | 3.7 |
| 定位分割精度 | sec | ±30 | |
| 重量 | kg | 1800 |
注:入力轴的GD2是在停留范围内的数值。
注:C1至C5数值是达到安全系数=2时的数值。














