公司产品
深圳市高士达精密机械有限公司
手机:159-9953-8817
电话:0755-29673755/3955
邮箱:2251952937@qq.com
传真:0755-29673856
地址:深圳市宝安区观兰镇君子布村君新路(142号)胜顺产业园B栋
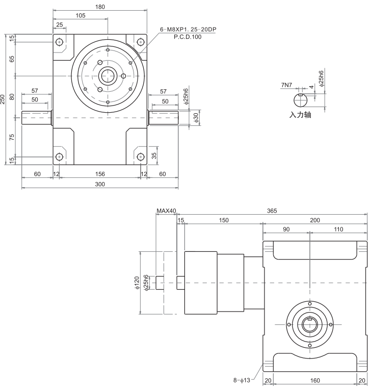
80DSU分割器
80DSU分割器

品牌供应商高士达生产的80DSU分割器为什么相较于同行更受欢迎,原因主要在于开云手机入口官网选型厂家高士达有着严格的工艺流程:锻造、粗车、调质、精车、粗磨、铣削、淬火、喷砂等每一道工序都经过严格精选的检测 和属于自己的专业的技术团队:本公司联合台湾资深凸轮设计制造专家,引进美国专业凸轮设计制造系统,同时引进台湾专业凸轮生产设备并成功升级。
凸缘升降型(45DSU,60DSU,70DSU,80DSU,110DSU)
左右摇摆、上下夹取系统紧密及高精度、高速度之夹取输送,为你自动化系统提供了多种变化流程功能。SU系列为出力轴上下往复运动间歇旋转或左右摇摆运动之合成机构。
技术参数
| 项目 | 符号 | 单位 | 数值 |
| 出力轴容许径向负荷 | C1 | kgf | 15 |
| 出力轴容许轴向负荷 | C2 | kgf | 18 |
| 出力轴容许力矩 | Ts | kgf-m | 参考力矩表 |
| 入力轴容许径向负荷 | C3 | kgf | 140 |
| 入力轴最大弯曲力矩 | C4 | kgf | 190 |
| 入力轴最大扭矩 | C5 | kgf-m | 9.5 |
| 入力轴的GD2(注1) | C6 | kgf-m2 | 1.7x10-2 |
| 定位分割精度 | sec | ±30 | |
| 重量 | kg | 33 |
注:入力轴的GD2是在停留范围内的数值。
注:C1至C5数值是达到安全系数=2时的数值。

上一条: 三轴分割器-50D3S分割器
下一条: 70DSU分割器













